Notre blog
S.A.V.
Mes devis
Etude solaire
Boite a outils
Langue :
Français
English
Français
Deutsch
Nederlands
Español
English
Français
Deutsch
Nederlands
Español
Français
English
Français
Deutsch
Nederlands
Español
Devise :
EUR
CHF CHF
Dhs Dhs
EUR €
GBP £
USD $
XOF CFA
CHF
Dhs
EUR
GBP
USD
XOF
EUR
CHF CHF
Dhs Dhs
EUR €
GBP £
USD $
XOF CFA
Connexion
Rechercher
Panier: 0
0
Panier
Il n'y a plus d'articles dans votre panier
Contactez-nous
×
Panneaux Solaires
Panneaux flexibles
Panneaux traditionnels
Palette de panneaux
Kits Solaires
Kits autoconsommation avec batteries
Kits 12V avec batteries
Kits autoconsommation
Kits Plug & Play
Kits camping-car / nautisme
Kits éclairage autonome
Kit anti-coupure
Packs onduleurs hybrides et batteries
Kits solaires posés en Belgique
Kits solaires posés en France
Onduleurs
Onduleurs hybrides
Onduleurs réseau
Convertisseurs 230V
Micros-onduleurs
Pièces détachées
Batteries Solaires
Batteries lithium
Batteries Plug and play
Batteries AGM / GEL
Batteries OPzV et OPzS
Parc de batteries
Systèmes de stockage industriel
Accessoires batteries
Cotisation environnementale BEBAT
Régulateurs de Charge
Régulateur PWM
Régulateur MPPT
Système de montage
Câbles et connectiques
Systèmes de montage
Matériel électrique
Outils et accessoires
Schéma de montage
Autres
Bornes de recharge
Groupes électrogènes
Chauffe-eau
Pompes à chaleur / Climatisation
Pompage Solaire
Suiveur solaire autonome
Moteur électrique pour bateau
Éolienne
Ampoules - Néons LED - spot LED
Skateboards électriques
Produits en promotion
Déstockage
Accueil
Schéma
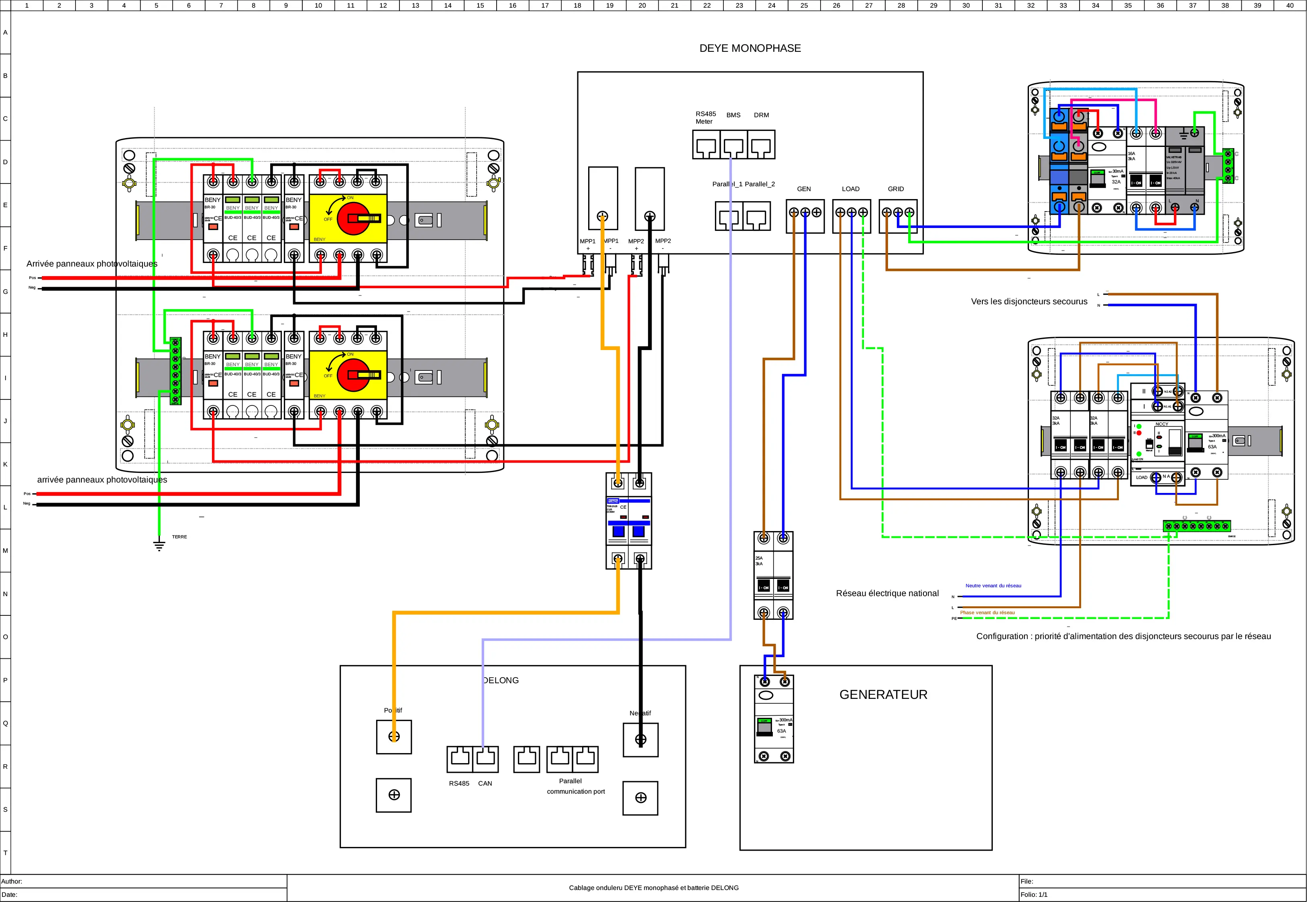
Schéma DEYE MONO : Câblage Batterie, Coffrets AC/DC & Groupe
Schéma Deye mono câblage batterie coffrets AC DC groupe
Loading...
check_circle
check_circle