Notre blog
S.A.V.
Mes devis
Etude solaire
Boite a outils
Langue :
Français
English
Français
Deutsch
Nederlands
Español
English
Français
Deutsch
Nederlands
Español
Français
English
Français
Deutsch
Nederlands
Español
Devise :
EUR
CHF CHF
Dhs Dhs
EUR €
GBP £
USD $
XOF CFA
CHF
Dhs
EUR
GBP
USD
XOF
EUR
CHF CHF
Dhs Dhs
EUR €
GBP £
USD $
XOF CFA
Connexion
Rechercher
Panier: 0
0
Panier
Il n'y a plus d'articles dans votre panier
Contactez-nous
×
Panneaux Solaires
Panneaux flexibles
Panneaux traditionnels
Palette de panneaux
Kits Solaires
Kits autoconsommation avec batteries
Kits 12V avec batteries
Kits autoconsommation
Kits Plug & Play
Kits camping-car / nautisme
Kits éclairage autonome
Kit anti-coupure
Packs onduleurs hybrides et batteries
Kits solaires posés en Belgique
Kits solaires posés en France
Onduleurs
Onduleurs hybrides
Onduleurs réseau
Convertisseurs 230V
Micros-onduleurs
Pièces détachées
Batteries Solaires
Batteries lithium
Batteries Plug and play
Batteries AGM / GEL
Batteries OPzV et OPzS
Parc de batteries
Systèmes de stockage industriel
Accessoires batteries
Cotisation environnementale BEBAT
Régulateurs de Charge
Régulateur PWM
Régulateur MPPT
Système de montage
Câbles et connectiques
Systèmes de montage
Matériel électrique
Outils et accessoires
Schéma de montage
Autres
Bornes de recharge
Groupes électrogènes
Chauffe-eau
Pompes à chaleur / Climatisation
Pompage Solaire
Suiveur solaire autonome
Moteur électrique pour bateau
Éolienne
Ampoules - Néons LED - spot LED
Skateboards électriques
Produits en promotion
Déstockage
Accueil
Schéma
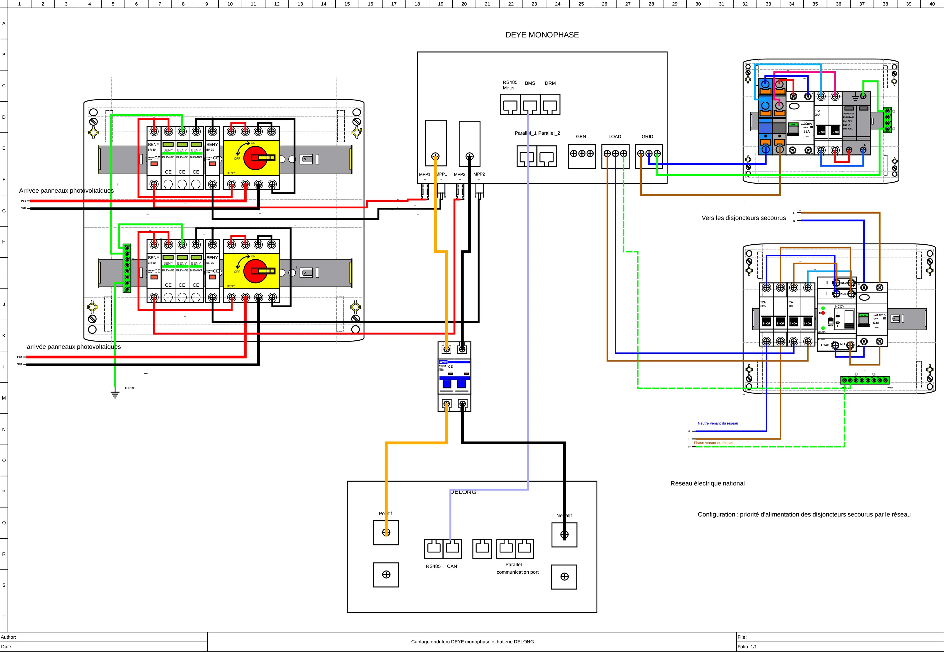
Schéma Deye mono, coffrets et batterie
Schéma DEYE MONO : Câblage Batterie, Coffrets AC/DC & EPS
Loading...
check_circle
check_circle
×
×
Cookies nécessaires
Toujours activé
Les cookies nécessaires contribuent à rendre un site web utilisable en activant des fonctions de base comme la navigation de page et l'accès aux zones sécurisées du site web. Le site web ne peut pas fonctionner correctement sans ces cookies.
Nom du cookie
Fournisseur
Objectif
Expiration
cookiesplus
https://www.wattuneed.com
Conserver vos préférences en matière de cookies.
1 année
PrestaShop-#
https://www.wattuneed.com
Ce cookie permet de garder les sessions de l'utilisateur ouvertes pendant leur visite, et lui permettre de passer commande ou tout un ensemble de fonctionnement tels que : date d'ajout du cookie, langue sélectionnée, devise utilisée, dernière catégorie de produit visité, produits récemment vus, accord d'utilisation de services du site, Identifiant client, identifiant de connexion, nom, prénom, état connecté, votre mot de passe chiffré, e-mail lié au compte client, l'identifiant du panier.
12 heures
Cookies statistiques
non
oui
Les cookies statistiques aident les propriétaires du site web, par la collecte et la communication d'informations de manière anonyme, à comprendre comment les visiteurs interagissent avec les sites web.
Cookies marketing
non
oui
Les cookies marketing sont utilisés pour effectuer le suivi des visiteurs au travers des sites web. Le but est d'afficher des publicités qui sont pertinentes et intéressantes pour l'utilisateur individuel et donc plus précieuses pour les éditeurs et annonceurs tiers.
Accepter
Configurer
Rejeter
Accepter tous les cookies
Acceptez uniquement les cookies sélectionnés
×
Contenu non disponible